×

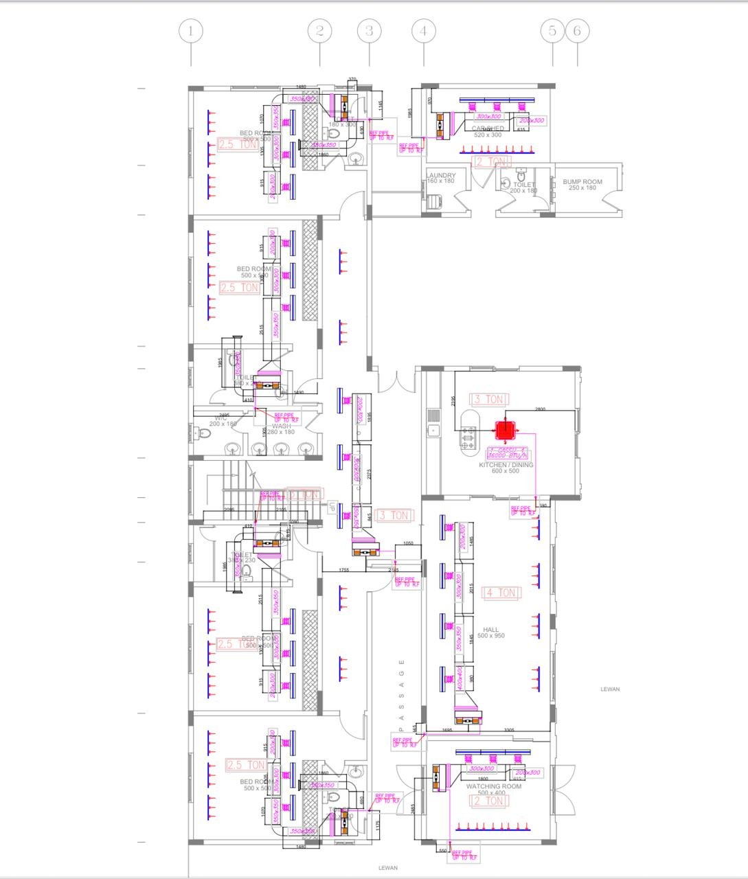
في هذا المشروع، تتولى FrostScape الإشراف الكامل على تنفيذ نظام التكييف من مرحلة التصميم وحتى التركيب، مرورًا بأعمال التأسيس المتقدمة.

بدأنا بالتنسيق مع فريق البناء قبل صب السقف مباشرة، حيث تم تنفيذ أعمال تمديد السيلفِتات بدقة لضمان دمج مثالي مع البنية الإنشائية، مع الأخذ بعين الاعتبار متطلبات التهوية، والقدرة الحرارية المناسبة لكل فراغ داخل الفيلا.


النتيجة:


هذا المشروع يُعد نموذجًا لتكامل العمل بين فرق التكييف والإنشاء، ويعكس قدرة FrostScape على تقديم حلول مخصصة تُنفذ باحترافية، خطوة بخطوة، بما يضمن أعلى كفاءة تشغيلية مع المحافظة على جمالية التصميم الداخلي.


  • Client
  • Budget
    حسب الطلب
  • Duration
    4 شهور

هل لديك استفسار؟